На этой странице приведены различные схемы и прошивки GSM-пейджера (GSM-сигнализации) для самостоятельного изготовления. Следуйте по ссылкам ниже.
Печатная плата и ПО бывшей коммерческой версии.

Предыстория
История была такая: примерно в 2002 году некто Андрей Кумерников прислал мне схему и прошивку GSM-пейджера на АТ89С2051. Я положил это творение на свой сайт - пусть люди пользуются - и благополучно забыл о нем. А приходившие мне редкие вопросы по этому устройству отфутболивал автору. Собирать его под заказ мне было тоже лень - деньги не те, а связанные со сборкой проблемы несоразмерны получаемому доходу.
Через некоторое время автор пропал. Поскольку обижать задающих вопросы негоже, пришлось разбираться в работе пейджера, благо это несложно. Сразу же стали очевидны недоработки в исходной схеме и микропрограмме. Но изменить все это безобразие было все еще лень.
Еще через несколько месяцев, видимо, в связи с введением ведущими операторами новых тарифов без абонентской платы начался просто бум писем с вопросами и просьбами. И меня-таки уговорили собрать несколько пейджеров. Тогда и родилась новая схема на ядре AVR AT90S2313 - очень не хотелось делать хитрый 12-вольтовый программатор для AT89C2051, а когда оказалось, что эти два контроллера совместимы по выводам - выдергивай старый и впаивай новый, - выбор стал очевиден. Тем более что опыт программирования AVR у меня весьма немалый, а удобство работы с ним - в разы выше.
История продолжается...
Наверх

Оригинальная версия
Внимание! Обязательно посмотрите на изменения!
(орфография сохранена :) - публикуется авторский текст)
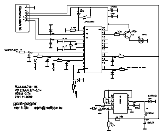
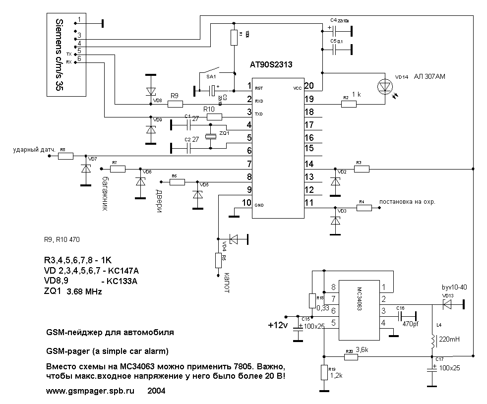
GSM-Pager v1.0b
Кликните, чтобы увеличить схему

Контроллер предназначен для охраны автомобиля совмесно с авто-сигнализацией или автономно в зоне охвата GSM сети.
При срабатывании датчиков, на заранее запрограммированный номер телефона, высылаются текстовые сообщения.
Устройство контролирует состояние четырех датчиков : капот,двери,багажник и ударный датчик.
В качестве датчиков можно использовать обычные автомобильные концевики. Контроллер срабатывает при замыкаии их на землю.
Поддерживается работа с телефонами Siemens S-25, C-35, S-35, M-35, C-45, S-45, SL-45 (с другими не проверялось)
SMS сообщения отсылаются в формате PDU и заранее зашиты в контроллер. Сообщения отсылаются на русском языке, при этом русская прошивка в телефоне с которым работает контроллер ненужна.
Ввод собственных сообщений возможно появиться в следующей версии прошивки.
При работе контроллера телефон автоматически подзаряжается. Сам контроллер питается от АКБ тел. и сохраняет свою работоспособность при отключении от бортовой сети авто. При этом ,если контроллер находится в режиме охрана, то будет отослано предупреждающее сообщение об отсутствии внешнего питания.
Номер по которому будут отсылаться SMS должен быть записан в первой ячейке на сим карте тел.
Запись должна иметь вид:
Number1 +79211234567
Порядок работы с контроллером:
Включить тел.
Очистить зап. книжку и забить в первую ячейку номер: Number1 ваш номер (см выше)
Подключить контроллер к тел. и нажать кнопку сброса. При этом сигнальный светодиод несколько раз моргнет и потухнет. Это значит что контроллер читал с телефона необходимую информацию и готов к работе.
Постановка на охрану производиться при замыкании шлейфа "охрана" на землю.
(т.е. режим охрана действует пока шлейф "охрана" замкнут на землю. Для этого можно использовать соответсвующий вывод авто-сигнализации. При этом пейджер будет автоматически вставать и сниматься с охраны вместе в авто-сигнал.) В режиме охрана сигнальный светодиод моргает.
При замыкании какого либо шлейфа на землю, отсылается соответсвующее тревожное сообщение.
После сработки сигнальный светодиод начинает непрерывно гореть.
В целях экономии средств контроллер после сработки делает паузу 5мин. в на опрос шлейфов.
По истечении этого времени опрос снова продолжается.
Со всеми просьбами и пожеланиями просьба писать asm@netbox.ru
Исходник
Прошивка
Все вместе
Наверх

Важные изменения
(Нижеследующий текст писался в начале 2004 года, если мне не изменяет память. Программа PDUSpu, на которую ссылается второй автор, лежит в разделе Файлы)
За прошедшее время я получил очень много писем именно насчет этого пейджера (почти все остальное народ не интересует). Многие жаловались, что нечем скомпилять, что исходники не ест ни один 8051-совместимый компилятор, что ничего не работает... И наконец свершилось чудо: один добрый человек добился компиляции и работоспособности девайса! Что я с удовольствием и выкладываю чуть ниже.
Компилятор
Исходник
Прошивка
Комментарий автора:
Все заработало! Причина крылась в неправильно заданной длине PDU сообщения.Было почему-то 18, а надо 55(at+cmgs=55).Да, из той цифры, что показывает программа PDUspy надо вычесть 1 и уже эту цифру вставлять в текст программы(например PDUspy показывает длину pdu сообщения 56, вычитаем 1 и уже 55 вставляем в текст программы).
Наверх

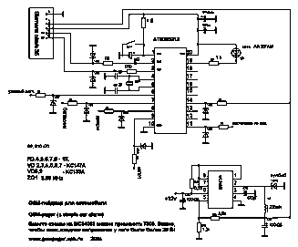
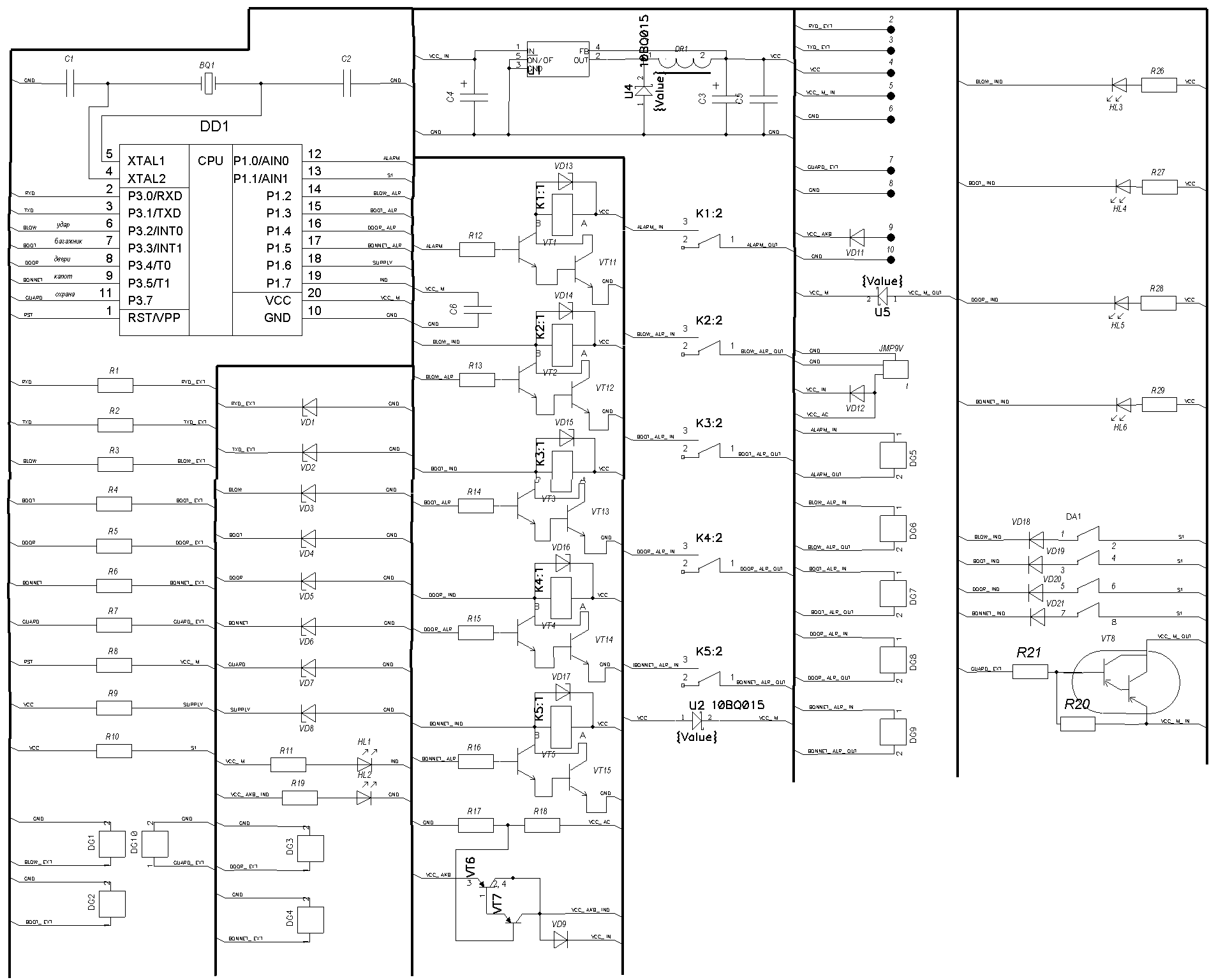
Текущая версия
После этой версии мы изменили тип контроллера на AT90S2313 и алгоритм работы. Схема изменилась не сильно. Этот вариант был продан в нескольких экземплярах
и для него была написана инструкция, которую можно посмотреть здесь.
(Внимание! Эта инструкция не имеет отношения к выпускаемой в настоящее время коммерческой версии!)
Сильно менять схему было лень, поэтому были изменены только самые страшные огрехи. Вот получившийся вариант (нажмите, чтобы увеличить):

Схема на AT90S2313, прошивка (main.hex) и исходники на С лежат здесь в архиве ZIP, 27 кб. Исходники могут быть скомпилированы GCC версии WinAVR20040404 (с другими не пробовал). Для прошивки можно использовать программатор PonyProg, который умеет работать через параллельный порт компьютера. Подробнее процесс описан на сайте myavr.narod.ru.
Наверх

Новая версия
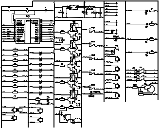
В середине 2006 года разработчик военной техники из Молдовы Юрий Г. прислал мне схему, приведенную ниже. Разработано весьма основательно, заметен военный подход :). Вот что он пишет о своей схеме:
Высылаю Вам проект под IAR 4-й версии (4.10А) и принципиальную схему
(PCAD2002).Все в сыром виде, но по данной схеме собран работающий макет
(кроме сигнала "вызов").Описание я подготовлю чуть попозже,когда все сделаю, как надо.

Я эту схему собирать не пробовал.
Наверх

Java-апплет для Siemens TC65
Если вы лучше понимаете в программировании, чем в железе, вам может помочь готовый GSM-модуль Siemens TC65i
и предлагаемый Java-апплет для него. Три существенных достоинства
решения - готовое железо со всеми необходимыми защитами по питанию и входам, не нужен телефон (SIM-карта
вставляется прямо в модуль), можно изменить программу под свои потребности. Недостаток, как всегда - цена модуля,
но в условиях, когда время - деньги, он не столь велик. Сигналку действительно можно собрать, не беря в руки
паяльник, и можно применять в машине (при соответствующем изменении исходников) - питание и конструкция позволяют.
Наверх

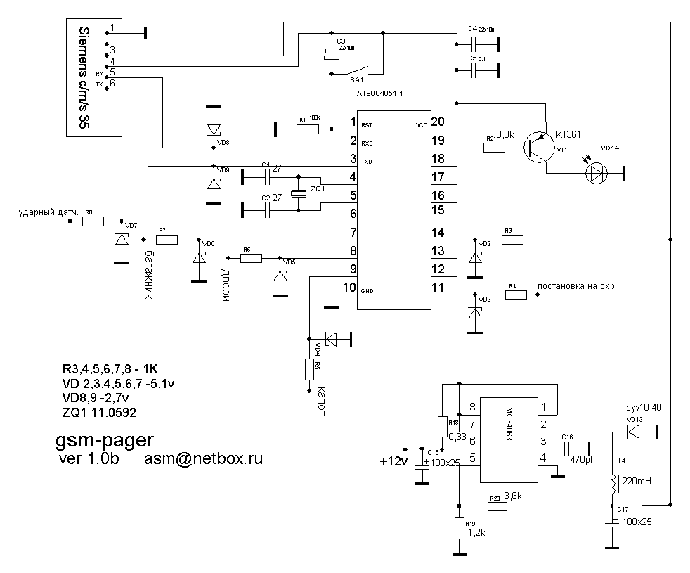
Печатная плата и ПО коммерческой версии
Исходные файлы и разводка печатной платы GSM-сигнализации для работы с телефонами Siemens 35-45-55 серий
доступна здесь (а
здесь - исходники и прошивка автомобильного варианта,
плата та же). Берите и пользуйтесь. А мне пора сделать что-то новое...
Наверх