|
У нас тоже есть кладовка (или антресоли, или гараж), где хранятся всякие старые вещи,могущие пригодиться. Заходите, берите, если вам поможет - мы будем только рады!
С.А.Гаврилов "Полупроводниковые схемы. Секреты разработчика"
здесь.
Глубочайший респект известному автору за великолепную книгу, которых так не хватает, выложенную в свободный доступ -
прочитайте введение. Все-таки в Советском Союзе были свои замечательные особенности, которые сейчас почти
утрачены - бескорыстие, взаимопомощь...
Принципиальная электрическая схема усилителя Корвет 100У-068 (JPG, 200-400K)
Коммутатор сигналов
Типы деталей
Блок УТ
Схема расположения, плата замыкателя, защита выпрямителя, стабилизатор напряжения
Усилитель мощности
Ограничитель уровня, коммутатор режимов
Усилитель корректирующий, регулятор громкости
Делитель телефонный, индикаотр уровня
Устройство выпрямительное, комплексная защита
Межплатные соединения
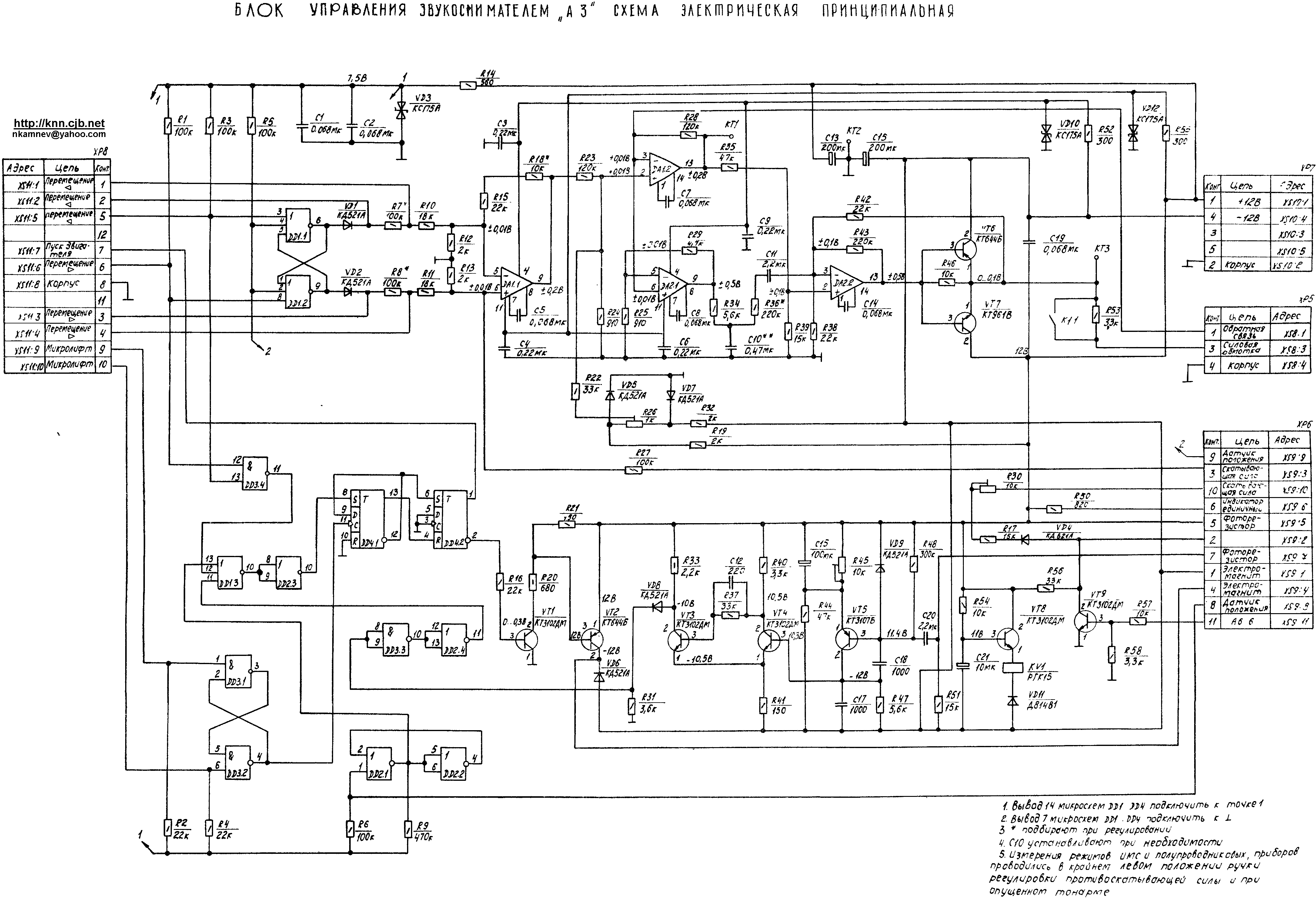
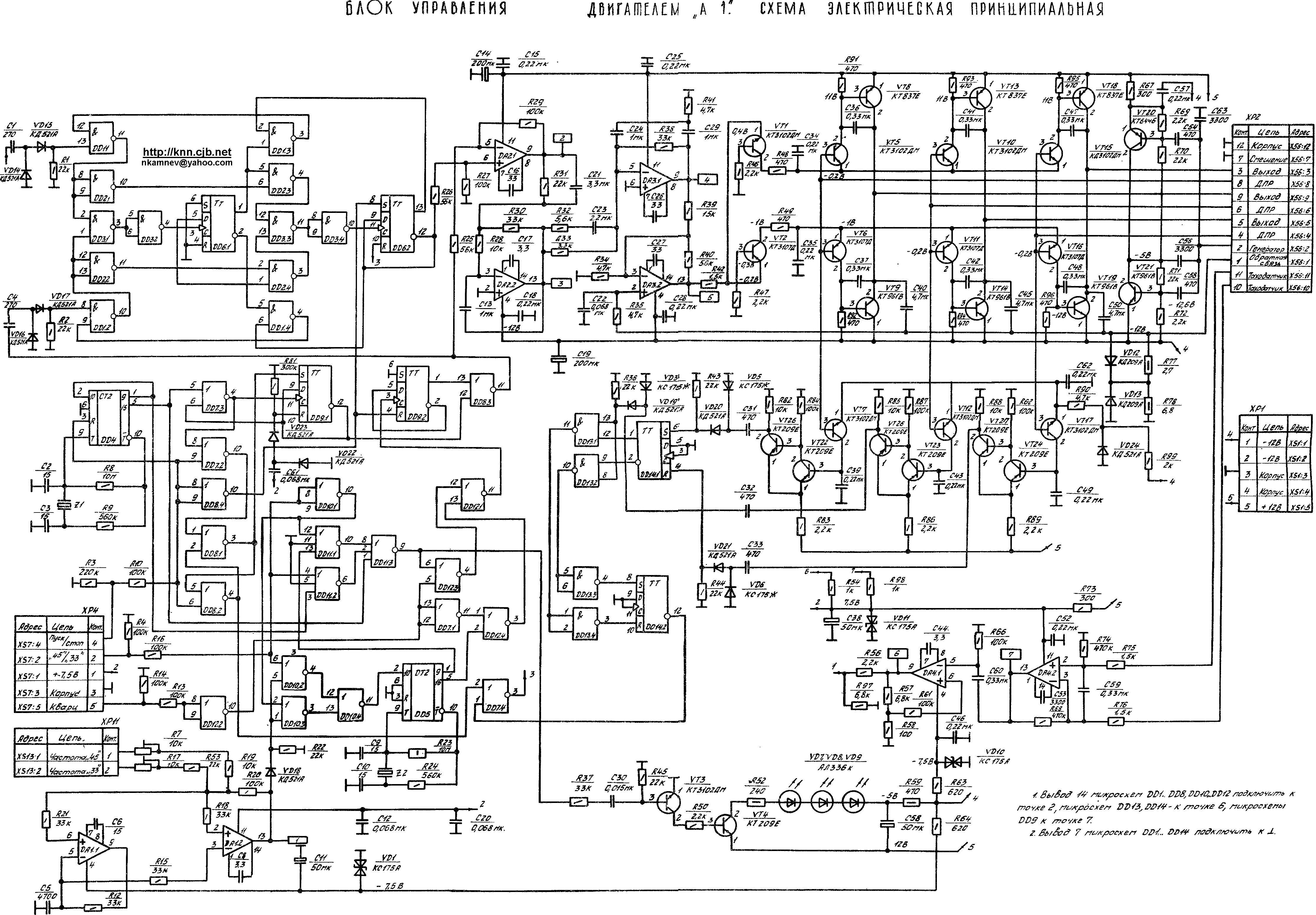
Электропроигрыватель Электроника-ЭП-017-стерео принципиальная электрическая схема (GIF, 350K)
Схема лист 1
Блок управления звукоснимателем
Блок управления двигателем
Принципиальная электрическая схема телевизора Банга (BANGA) 32ТЦ-402Д, 37ТЦ-402Д, 42ТЦ-402Д, 51ТЦ-402Д (JPG, 200-400K)
Селектор каналов А1-1
Субмодуль радиоканала СМРК-21 А1-2
Модуль цветности А1-3
Модуль питания М-1 А1.4, плата дежурного режима А2
Кроссплата К1 А1
Центральная часть схемы - верх кроссплаты
Плата деж. режима А2
Блок управления А3
Плата ДУ А4
Плата кинескопа А7
Режимы работы
Примечания
Кассетный магнитофон Протон-402 принципиальная электрическая схема
Схема
Инструкция по эксплуатации двигателя внутреннего сгорания для мопеда Д-8Э (GIF, 200-400K)
1
2
3
4
5
6
7
8
9
10
11
12
13
14
15
16
17
18
SDK для CASIO Cassiopeia BE-300
HTTP:
SDK for CASIO Cassiopeia BE-300 (eMbedded Visual C++ 3.0) (18M)
SDK for CASIO Cassiopeia BE-300 (.NET) (31M)
Куча разного софта для Casio BE-300, в т.ч. оболочка eXpod. Архив большой -
разбираться некогда, но пусть хотя бы так лежит.
FTP:
SDK for CASIO Cassiopeia BE-300
Ошибка PPP 734 при GPRS соединении через телефоны Siemens
Я периодически переставляю винды и каждый раз забываю, как правильно настроить GPRS, чтобы
ходить через телефон Siemens S55 и IrDA в интернет. В результате долго мучаюсь, получая сообщение
"Ошибка PPP 734". Самое странное, что, даже выучив наизусть волшебную строку инициализации модема
AT+CGDCONT=1,"IP","internet.nw", соединения все равно не удается добиться.
Очередной раз оказалось, что кроме этой строки надо устанавливать конкретную скорость и прочее, и прочее.
Эти танцы с бубном описаны в сименсовском документе.
INF-файл для установки драйвера можно взять здесь.
Удаленный доступ к консоли компьютера по сети сотовой связи
Здесь лежит описание настройки удаленного доступа к консоли компьютера по сети сотовой связи, т.е. через подключенный к компьютеру телефон со встроенным модемом. Описание заточено на работу через CSD, т.е. со скоростью 9600, при этом получалась вполне реальная работа с компом. Достаточно для мониторирования удаленного сервера или залезания в сеть.
Алгоритм сборки кубика Рубика, опубликованный в журнале "Наука и жизнь" N5 за 1983 год. (JPG, 500K)
1
2
3
4
5
6
Драйвера для Windows XP для ноутбука Acer Aspire 5920G (FTP)
Схема MP3-плеера teXet T-800 (Rockchip RK2608A) (circuit PDF) С глубочайшим уважением к колелктиву и продукции ЗАО"Алкотел" (teXet TM), мгновенно откликнувшейся на мою беду, когда у меня сломался их плеер.
Драйвер для звуковой карты ForteMedia FM0801 (Win2000/XP) -- Driver for ForteMedia FM0801 sound card (Win2000/XP)
Драйвер для переходника USB-UART ArkMicro (VID6547&PID0232) (WinXP)
Внимание: прикручивал эти дрова к переходнику для работы со скайлинковским Huawei ETS-388, и оказалось,
что они работают только на одноядерных (в т.ч. без Hyper-Threading) процессорах. Кстати, когда прикрутил, заработало
нормально только после запуска софтины SkyMii_10t5.exe с сайта СкайЛинк и установки с ее помощью драйвера модема
ОБЯЗАТЕЛЬНО В АВТОМАТИЧЕСКОМ режиме. Впрочем, фреймы PPP в терминалке увидеть так и не удалось.
Драйвер для переходника USB-UART Prolific PL2303 (WinXP)
Драйвер для переходника USB-UART Bilionton (WinXP)
Драйвер для веб-камеры Microsoft LifeCam VX-1000. Эти идиоты пытаются
поставить людям 118М!!! дров, хотя можно обойтись всего тремя. Кастрировал бы.
Driver for Microsoft LifeCam VX-1000 web camera. These motherfuckers
are trying to load people with 118 megabytes of their shitware instead of 3 megs really needed. Enjoy.
Программа OWLSOCK (Paul Pedriana) для отладки TCP/IP - демонстрирует
работу разных функций WinSock и, в частности, позволяет слушать на заданном порту. Иногда бывает весьма
полезна.
ComTAP v.2.1 - Анализатор СОМ-порта для DOS
старинная программа, полезна возможностью жёсткого анализа временных характеристик обмена. Можно подключить
RX COM1 и COM2 к Rx и Tx исследуемой линии и смотреть, что там происходит. Давно собирался написать для своих нужд
такую программку, но так и не доделал, а - вот она.
Bus Hound
- единственная софтина, которая позволяет анализировать передачу данных по FireWire (как, впрочем,
и по USB) и которую удалось найти бесплатно.
Перешивка чипов CSR BlueCore (Bluetooth)
Схема LPT SPI кабеля для настройки и перешивки CSR BlueCore. Полезно при использовании сторонних модулей Bluetooth, которые надо настроить. (Schematics of LPT SPI cable for CSR chip reprogramming)
Как правильно пользоваться вьетнамским бальзамом "Звездочка".
Предлагают лечить ринит, синусит, ларингит, гипер- и гипотензию, бессонницу, радикулит, головную боль,
тройничный нерв. Пробуйте, и дай вам Бог здоровья - если поможет, замечательно! (JPG, 500K)
1
2
3
4
5
6
7
8
Еще одна бумажка о биологически активных точках (БАТ) на стопе: здесь
В.Н. Пушкин, В.Г. Никифоров "Иглотерапия и электропунктура" (1978 г.) - брошюра
издательства "Знание" в формате DjVu.
Фотографии внутренностей GSM-усилителя Remotek RP6
(кликните для увеличения)
Некоторые схемы и фотографии внутренностей станка для прокатки лентыHunter Douglas SU1
(включая пневматическую схему) - я его чинил. (Some Hunter Douglas SU1 schematics)
Некоторые схемы и фотографии внутренностей станка для прокатки жалюзиHunter Douglas 2000. (Some Hunter Douglas 2000 venetian blind production machine schematics)
Пособие сварщика в картинках.
GSM модуль Neoway M590e (2018 год) -
описание модуля,
АТ-команды,
подключение модуля CL818C9,
Держатель ручки УАЗ Патриот 3162-6105185, модель для 3д печати

STL для печати,
модель FreeCAD,
|